product
  當前位置 — 止回閥系列 — 升降式止回閥
產品名稱:

升降式止回閥

所屬分類:

止回閥系列

產品簡介:

H41H、H41Y 型 PN16~PN100 升降式止回閥是生產過程調節系統中的重要環節之一,是控制管道內介質單向流向的閥門,阻止介質倒流。

【產品用途】

H41HH41Y  PN16~PN100 升降式止回閥是生產過程調節系統中的重要環節之一,是控制管道內介質單向流向的閥門,阻止介質倒流。

 

【產品特點】

1H41H、H41Y 型升降式止回閥具有結構簡單,動作可靠,維修方便等優點,廣泛應用于凈化設備、石油、化工、冶金、電力、輕紡等生產過程中

2、當介質由閥體箭頭所示流向進入閥體,介質的壓力作用在閥瓣上產生向上的推力,當介質推力大于閥瓣重力時,閥門打開。當閥后介質壓力作用在閥瓣上的力加上閥瓣自身重力大于閥前壓力作用在閥瓣上的力時,閥門關閉,阻止介質倒流

 

【性能參數】

型號

H41H-16C~100

H41Y-16C~100

H41W-16P~100

工作壓力(MPa

1.6~10.0

適用溫度(℃)

425

150

適用介質

水、蒸汽、油品

弱腐蝕性介質

材料

閥體、閥蓋

碳鋼

鉻鎳鈦不銹鋼

密封面

堆焊鉻不銹鋼

堆焊硬質合金

鉻鎳鈦不銹鋼

墊片

鋼帶石墨參纏繞

聚四氟乙烯

 

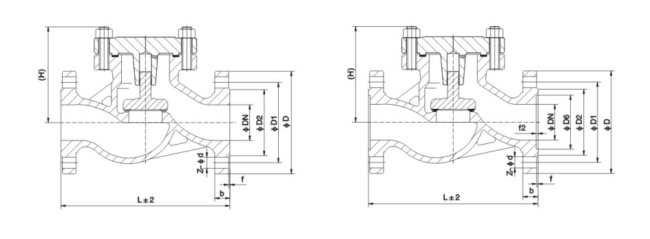
【主要外形和連接尺寸】

公稱通徑

主要外形尺寸和連接尺寸

L

D

D1

D2

b

Z-d

H

H41H-16C H41W-16C H41W-16P H41W-16R H41W-16I

15

130

95

65

45

14

4-14

77

20

150

105

75

55

14

4-14

77

25

160

115

85

65

14

4-14

80

32

180

135

100

75

16

4-18

85

40

200

145

110

85

16

4-18

95

50

230

160

125

100

16

4-18

105

65

290

180

145

120

18

4-18

120

80

310

195

160

135

20

8-18

130

100

350

215

180

155

20

8-18

140

125

400

245

210

185

22

8-18

155

150

480

280

240

210

24

8-23

180

200

600

335

295

265

26

12-23

215

250

730

405

355

320

30

12-25

260

300

850

460

410

375

34

12-25

315

H41H-25 H41W-25 H41W-25P H41W-25R H41W-25I

15

130

95

65

45

16

4-14

100

20

150

105

75

55

16

4-14

105

25

160

115

85

65

16

4-14

120

32

180

135

100

78

18

4-18

130

40

200

145

110

85

18

4-18

135

50

230

160

125

100

20

4-18

149

65

290

180

145

120

22

8-18

160

80

310

195

160

135

22

8-18

169

100

350

230

190

160

24

8-23

194

125

400

270

220

180

28

8-25

222

150

480

300

250

218

30

8-25

255

200

600

360

310

278

34

12-25

305

250

730

425

370

332

36

12-30

355

300

850

485

430

390

40

16-30

410

 

【結構圖片】


在線咨詢

如果您對報價或合作有任何疑問,請隨時通過以下電子郵件與我們聯系 lg@cnlgvalve.com 或使用以下查詢表格。 我們的銷售代表將在24小時內與您聯系。 感謝你對我們產品感興趣。