product
  當前位置 — 止回閥系列 — 美標止回閥
產品名稱:

美標止回閥

所屬分類:

止回閥系列

產品簡介:

我公司生產的美標止回閥,按照美國標準設計制造,結構美觀。美標止回閥是指依靠介質本身流動而自動開、閉閥瓣,用來防止介質倒流的閥門,又稱逆止閥、單向閥、逆流閥,其主要作用是防止介質倒流、防止泵及驅動電動機反轉,以及容器介質的泄放。

【產品用途】

我公司生產的美標止回閥,按照美國標準設計制造,結構美觀。美標止回閥是指依靠介質本身流動而自動開、閉閥瓣,用來防止介質倒流的閥門,又稱逆止閥、單向閥、逆流閥,其主要作用是防止介質倒流、防止泵及驅動電動機反轉,以及容器介質的泄放。

 

【性能參數】

序號

項目名稱

參數

1

公稱壓力PNMPa)

150LB

300LB

600LB

900LB

1500LB

2500LB

2.0

5.0

10.0

15.0

25.0

42.0

2

殼體強度試驗壓力

常溫下公稱壓力的1.5

3

高壓密封試驗壓力

常溫下公稱壓力的1.1

4

常溫下工作壓力

ASME B16.34 壓力溫度額定值

 

【產品規范】

設計標準

結構長度

法蘭連接尺寸

試驗與檢驗

壓力與溫度基準

API6D/ASME B16.34

ASME B16.10

ASME B16.5

API598/API6D

ASME B16.34

 

【主要零件材料】

零件名稱

材料名稱

閥體

A216 WCB

A217 WC6

A351 CF8

A351 CF8M

A351 CF3

A351 CF3M

閥蓋

A216 WCB

A217 WC6

A351 CF8

A351 CF8M

A351 CF3

A351 CF3M

閥板

A216 WCB

A217 WC6

A351 CF8

A351 CF8M

A351 CF3

A351 CF3M

密封面

13Cr/STL

STL

本體/STL

本體/STL

本體/STL

本體/STL

閥軸

A182 F6a

A182 F11

A182 F304

A182 F316

A182 F304L

A182 F316L

墊片

柔性石墨

柔性石墨

柔性石墨

柔性石墨

柔性石墨

柔性石墨

螺栓

A193 B7

A193 B16

A193 B8

A193 B8M

A193 B8

A193 B8M

螺母

A194 2H

A194 4

A194 8

A194 8M

A194 8

A194 8M

使用溫度

-29~425

-29~540

-46~425

-46~425

-46~425

-46~425

適用介質

水、蒸汽

水、蒸汽

弱腐蝕性

弱腐蝕性

弱腐蝕性

弱腐蝕性

 

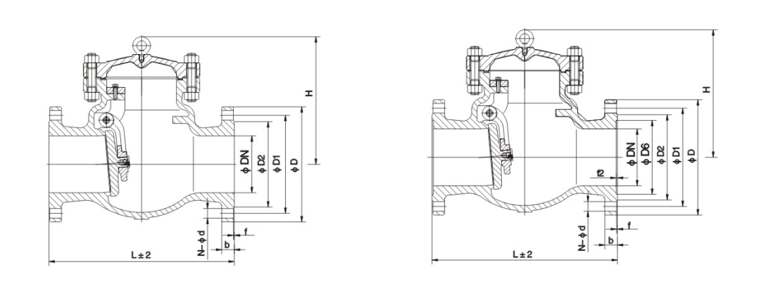
【主要外形和連接尺寸】

公稱通徑

尺寸

m

in

L

D

D1

D2

b

f

n-Φd

H

H44H-150Lb

50

2

203

152

120.5

92

16

1.6

4-19

180

80

3

241

192

152.5

127

19

1.6

4-19

190

100

4

297

229

190.5

157

24

1.6

8-19

203

125

5

330

254

216

186

24

1.6

8-22

229

150

6

356

279

241.5

216

26

1.6

8-22

257

200

8

495

342

298.5

270

29

1.6

8-22

292

250

10

622

406

362

324

31

1.6

12-25

355

300

12

698

483

432

381

32

1.6

12-25

396

H44H-300Lb

50

2

267

165

127

92

23

1.6

8-19

178

80

3

318

210

168.5

127

29

1.6

8-22

216

100

4

356

254

200

157

32

1.6

8-22

241

125

5

400

279

235

186

35

1.6

8-22

267

150

6

444

318

270

216

37

1.6

12-22

305

200

8

533

381

330

270

42

1.6

12-25

368

250

10

622

445

387

324

48

1.6

16-29

394

300

12

711

521

451

381

51

1.6

16-32

445

H44H-600Lb

50

2

295

165

127

92

33

6.4

8-19

203

80

3

359

210

168

127

36

6.4

8-22

235

100

4

435

273

216

157

45

6.4

8-25

286

125

5

511

330

266.5

186

52

6.4

8-29

292

150

6

562

356

292

216

55

6.4

12-29

330

200

8

664

419

349

270

63

6.4

12-32

381

250

10

791

510

432

324

71

6.4

16-35

457

300

12

842

559

489

381

74

6.4

20-35

584

 

【結構圖片】

 

在線咨詢

如果您對報價或合作有任何疑問,請隨時通過以下電子郵件與我們聯系 lg@cnlgvalve.com 或使用以下查詢表格。 我們的銷售代表將在24小時內與您聯系。 感謝你對我們產品感興趣。